This is a cache of https://www.paroc.com/sv-se/applications/building-insulation/walls/ventilated-facades/paroc-zerofix-mounting-system. It is a snapshot of the page as it appeared on 2026-04-12T05:02:50.340+0000.
PAROC ZEROfix-monteringssystem | Paroc Lösningar Skip to main content

PAROC ZEROfix-monteringssystem

 
PAROC ZEROfix är ett unikt självbärande monteringssystem som är perfekt för att fästa fasaden i den bärande stommen genom det yttre isoleringsskiktet. Byggnadens bärande stomme kan vara tillverkad av betong, tegel eller trä vilket gör att ZEROfix-systemet kan användas i de flesta byggnader.

Drönarfoto över studentboendet Spexaren i Uppsala.

ibland är det enkla det geniala!

Är du nyfiken på hur systemet PAROC ZEROfix fungerar i verkligheten?

Läs mer om UppsalaHems nya projekt och hur entreprenören ByggPartner upplevde arbetet med systemet.

  • Inre beklädnad 
  • Bärande stomme: KL-trä, betong, tegel eller träreglar täckt med minst 30 mm plywood.  
  • Heltäckande isolerskikt: PAROC tento, Klimatskiva ZERO
  • Stomme av KL-trä eller träreglar täckt med minst 30 mm plywood: isoleringen monteras med Isoleringshållare SFS RP50/BS-4,8 trä (XFM 006),  Isoleringshållare trä
  • Stomme av betong eller tegel: isoleringen monteras med Isoleringshållare SFS RP50/TI-T25-6,3 betong (XFM 007), Isoleringshållare betong 

PAROC ZEROfix infästningssystem 

  • PAROC ZEROfix Läkt (XRB 001)36x98 mm, cc 600 mm, 
  • Montering av PAROC ZEROfix Läkt i stomme av KL-trä eller träreglar täckt med minst 30 mm plywood: Fasadskruv HECO Topix Plus Therm, trä (XFS 006), Fasadskruv trä
  • Montering av brandläkt i stomme av betong eller tegel: Fasadskruv HECO Multi Monti, betong (XFS 004), Multi Monti Fasadskruv betong 
  • Brandventiler i luftspalten vid behov.
  • Fasadbeklädnad

Beakta ev. brand- och ljudkrav.

Ventilerad fasad med PAROC Tento, Klimatskiva och ZEROFix monteringssystem

Systemkomponenter

PAROC ZEROfix är en unik, självbärande infästningsmetod för utvändig isolering av ytterväggar. Infästningsmetoden består av horisontella fasadskruvar som tar vindlaster och vinklade fasadskruvar som tar vertikal last från fasaden. Denna kombination ger en mycket robust konstruktion med minimala köldbryggor och bär vikten av både isoleringen och utvändig beklädnad. Fasadskruven är speciellt utformad för att fästa läkt på utsidan av isolerskiktet och därmed möjliggöra en luftspalt mellan isoleringen och fasadbeklädnaden. Den är utvecklad för att överföra vind- och vertikallast till den bärande stommen. Horisontella fasadskruvar överför vindlast och vinklade fasadskruvar vertikal last från fasadbeklädnaden. Ökas antal vinklade fasadskruvar så ökar den lastupptagande kapaciteten. Det ger ett självbärande robust system. Antal skruvar, längd och placering av de fasadskruvar som krävs ska bestämmas utifrån byggandes placering, höjd, konstruktion, vindhastighet och fasadmaterialets vikt. De nödvändiga beräkningarna kan utföras med dimensioneringsverktyget för PAROC ZEROfix.  


PAROC Cortex med ZEROFix monteringssystem

Trä och betong med hållfasthetsklass som bärande stomme

För underlag av trä och betong används minst tre horisontella fasadskruvar och minst en vinklad fasadskruv per läkt. Den vertikala läkten monteras med cc 600 mm på utsidan av isoleringen. Antalet skruvar, skruvarnas längd och placering ska bestämmas på grundval av vindhastigheten på platsen, byggnadens höjd, typ av bakvägg och beklädnadsmaterialets vikt. I betongkonstruktioner kräver installationen hålen till fasadskruvarna förborras. För träregelstommar rekommenderas ett heltäckande skikt av plywood med minst 30 mm tjocklek för att ge ett stabilt underlag för infästning av fasadbeklädnaden. Läggs en heltäckande skiva till på utsidan av regelstommen måste konstruktionen fuktprestanda alltid kontrolleras av konstruktören. 


Tegel och betong av okänd kvalitet

Prestanda på väggar av tegel och gammal betong kan variera dels på grund av kvalitet och dels på grund av ålder, därför måste underlaget alltid testas genom utdragsprovning. Antal provdragningar ska vara minst 15 st per fasadyta, detta för att ge en tillförlitlig dimensionering.

Utdragsproven ska utföras av kompetent och, för detta moment, utbildad personal. Provdragningsutrustningen som används skall vara kalibrerad enligt tillverkarens anvisningar.

Vi rekommenderar utrustning från Hydrajaws Limited, modell 2000 med teleskopbrygga som passar aktuell skruvlängd. Notera på en ritning var provdragning skall genomföras på alla väggar som skall isoleras. 

Vid provning skall PAROC Betongborr L 6,3 (XFD 001), Betongborr med diametern 6,3 mm användas för förborrning till ett borrdjup större än 40 mm.

Fasadskruv HECO Multi Monti, betong (XFS 004), skruvas rakt in i underlaget, sättdjup större än 35 mm. När provdragningen är genomförd kan beräkning av skruvlängd och dimensionerande laster utföras med vårt dimensioneringsverktyg. Här ska även resultaten från provdragningsprotokollen föras in och hänsyn tas till resultaten från provdragningen vid uträkning av dimensionerande vind- och vertikallastkapacitet. 

Värmeisolering och fasadmaterial

Systemet PAROC ZEROfix ger en utmärkt energieffektivitet eftersom hela isoleringsskiktet monteras heltäckande med förskjutna skarvar på utsidan av stommen och ger ett minimalt antal köldbryggor. Först monteras PAROC tento Klimatskiva ZERO på stommen med isolerhållare och med hjälp av de horisontella fasadskruvarna fixeras brandläkten utanpå isoleringen. Slutligen monteras de vinklade skruvarna enligt konstruktörens specifikationer baserat på dimensioneringsprogrammets angivna avstånd. Montera fasadbeklädnaden på utsidan av läkten enligt leverantörens råd och anvisningar. För att minimera risken för fuktskador på den innanförliggande konstruktionen monteras fasadbeklädnaden heltäckande och tät.

PAROC Stenull är mycket diffusionsöppen och medger transport av vattenånga genom isoleringen. Detta möjliggör också en snabbare torkning av konstruktioner än vid användande av mer diffusionstäta isoleringsmaterial.

Ventilerad KL-trä fasad med PAROC Tento isolering

Brandsäkerhet

Nedan redovisade lösningar är testade enligt SP FIRE 105 och samtliga detaljer kan ses i typgodkännande SC1384-17 som är utfärdat av RISE för Paroc AB (se nedan).

Typgodkännande

Typgodkännande är ett nationellt system för att bedöma och verifiera byggprodukters överensstämmelse med krav i svenska byggregler. RISE Certifiering har utfärdat ett Typgodkännande för PAROC tento, Klimatskiva ZERO fasadsystem med löpnummer SC1384-17 och som innefattar isolering, infästningsskruvar och brandskyddbehandlad träläkt. Fasadsystemet uppfyller krav på brand och krav på fuktsäkerhet enligt BBR samt beständighet och dimensionering och vindlast enligt EKS. Typgodkännande finns i sin helhet här.


Beklädnad med träpanel

Fasadbeklädnad bestående av 21x142 mm Moelven ThermoWood panel med vattenfast brandimpregnering (BT V-fast) monteras på vertikal spikläkt, PAROC ZEROfix Läkt (XRB 001). Isoleringen består av PAROC tento, Klimatskiva ZERO som monteras mot KL-trä, minimum tjocklek 100 mm och maximum tjocklek
350 mm.

Det måste alltid finnas en luftspalt bakom fasadbeklädnaden. Fasadbeklädnader av trä kan kräva installation av brandventiler i luftspalten. Detta är en bra sak att tänka på när du dimensionerar ventilationsöppningen och väljer vindskyddsisolering.

U-värden för olika isoleringstjocklekar med olika bärande konstruktioner


Bärande konstruktion i 100 mm KL-trä

Produkt

Isoleringstjocklek (mm)

PAROC tento

100

150

200

250

300

U-värde, W/m2K

0.27

0.20

0.16

0.13

0.11

Bärande konstruktion i 150 mm Betong

Produkt

Isoleringstjocklek (mm)

PAROC tento

100

150

200

250

300

U-värde, W/m2K

0.33

0.23

0.17

0.14

0.12

CAD-Ritningar

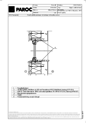
Ventilerade ytterväggar, betongstomme med PAROC ZEROfix, fönster. (SE-W-VF-40-4)
Ventilerade ytterväggar, betongstomme med PAROC ZEROfix, fönster. (SE-W-VF-40-4)
Relaterade produkter PAROC tento, PAROC XFM 007, PAROC XFS 004
Ventilerade ytterväggar, betongstomme med PAROC ZEROfix. (SE-W-VF-40-1)
Ventilerade ytterväggar, betongstomme med PAROC ZEROfix. (SE-W-VF-40-1)
Relaterade produkter PAROC tento, PAROC XFM 007, PAROC XFS 004
Ventilerade ytterväggar, betongstomme med PAROC ZEROfix, ytterhörn. (SE-W-VF-40-2)
Ventilerade ytterväggar, betongstomme med PAROC ZEROfix, ytterhörn. (SE-W-VF-40-2)
Relaterade produkter PAROC tento, PAROC XFM 007, PAROC XFS 004

På den här sidan har vi samlat de CAD-ritningar som hör till den här lösningen. Övriga CAD-ritningar finns att se och ladda ned i PAROC Structure Selector, Strukturväljaren.

Produkter i den här lösningen

Filter

Varning för att den här videon innehåller blinkande bilder: Den här videon innehåller blinkande bilder som kan utlösa krampanfall hos personer med fotokänslighet.

Kontakta PAROC Byggisolering